
您的位置:網站首頁 > 黄樱桃免费高清在线观看 > 多維度表征(上)|用 CT、SEM 與仿真“看透“再生碳纖維複合材料 複合材料是由兩種或多種不同組分組成的材料,與傳統材料不同,它們的性能和結構可以同步設計。短切纖維增強複合材料(SFRC)廣泛應用於汽車、建築和航空航天等領域,具有製造成本低、衝擊強度高、重量輕、剛度與強度高等優點。然而,由於纖維取向、製造工藝和材料微結構的複雜影響,預測其力學性能仍具有挑戰性。
本研究由 Thermo Fisher Scientific、Synopsys、3Dmagination、Waygate Technologies 以及瑞士西北應用科技大學高分子工程研究所聯合開展。研究團隊通過微計算機斷層掃描(microCT)與三維圖像分析、力學測試及數值建模,對再生短碳纖維增強聚酰胺11(rCF-PA11)複合材料進行係統表征,探索其在可持續製造中的潛力。
01.樣品製備
研究采用再生 T700 碳纖維與生物基聚酰胺11(PA11)作為基體材料,製備流程包括:
1. T700 碳纖維溶劑分解(solvolysis)、纖維尺寸調整(resizing)
2. 與 PA11 混煉複合(15 wt.%)
3. 擠出成絲與 3D 打印成型

圖1:再生碳纖維製備流程示意圖
打印使用 9T Labs 的 Additive Fusion Technology(AFT),該技術將連續層疊打印與高壓融合相結合,實現致密結構和高性能複合件。通過控製噴頭溫度、擠出速度和層高,確保碳纖維分布均勻且不受損傷。

隨後在封閉模具中施加熱與壓力進行融合處理,消除層間孔隙、提高纖維-基體界麵結合力。


圖4:短纖維增強複合材料的應力–應變曲線
02.力學性能測試
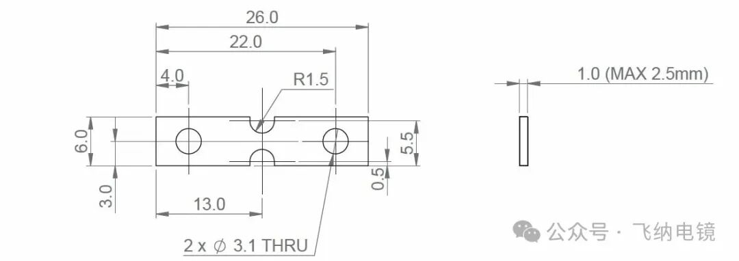
采用 DIN 527-1 標準製備 0° 與 90° 取向的試樣,在室溫下進行準靜態拉伸測試。
結果顯示:
0° 方向樣品:剛度高、脆性斷裂,性能主要由纖維主導;
90° 方向樣品:初始剛度低,非線性顯著,表現出聚合物主導特征;
相同取向的樣品間差異極小,表明實驗結果具有良好可重複性。
03.高分辨率 CT 掃描
通過 Waygate Technologies Phoenix V|tome|x M300 係統進行兩次 CT 掃描:
全樣本掃描:解析纖維總體分布(7.3 µm³ 體素)
局部高分辨掃描:關注樣品中央區域(2 µm³ 體素)

圖5:3D重建的 CT 體積圖與局部截麵圖

圖6:高分辨率 CT 掃描的體積渲染結果
04.圖像分割與纖維追蹤
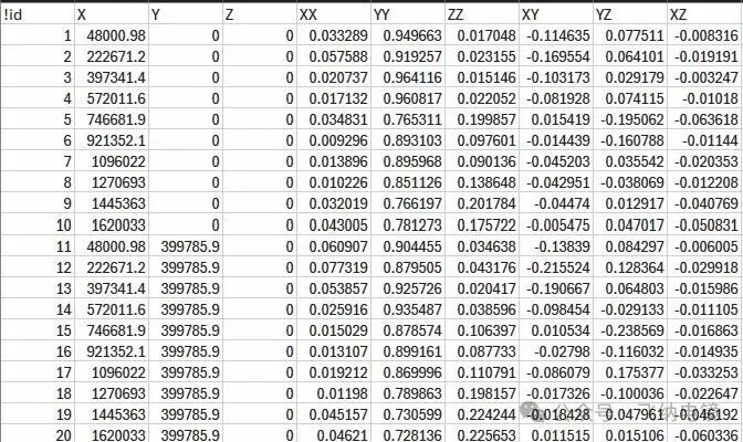
利用 Thermo Scientific™ Avizo™ 3D Pro 軟件的 XFiber 模塊,對 CT 重建數據進行分割與纖維中心線追蹤。該算法通過模板匹配與線追蹤提取單根纖維,計算其長度、取向、曲率與彎曲度。最終得到超過 19.8 萬根纖維數據,並將結果以張量形式導出至 Ansys 進行有限元建模。

圖7:單根纖維分割與局部放大圖

圖8:區域內纖維取向分布圖

圖9:導出用於仿真的取向張量數據
通過微觀 CT 影像與精確追蹤算法,研究者能夠量化纖維的取向分布與界麵特征,為後續力學建模與斷裂行為分析奠定基礎。
電話4008578882
傳真
郵箱cici.yang@phenom-china.com
公司地址上海市閔行區虹橋鎮申濱路88號上海虹橋麗寶廣場T5,705室